PIR 熱釋電傳感器專用IC詳細參數及電路介紹
XYC-PIR006 是一款低功耗 PIR 信號數字式處理芯片,可以直接與模擬型 PIR 探測器使用電容連接,內置 3V LDO,給 PIR 探測器供電。傳感器靈敏度閾值和報警維持時間可通過外部電阻調節。
一, PIR 熱釋電傳感器專用IC特性:
? 內部參考電壓源
? 內置 LDO 低壓差線性穩壓器
? 靈敏度可調節
? 環境檢測
? 外接光敏電阻或光敏三極管檢測環境亮度,禁止光線足夠時禁止輸出
? 可屏蔽環境亮度檢測功能
二, PIR 熱釋電傳感器專用IC輸出
? 輸出高低電平,輸出時間可分檔調節
? 每次上電有 10 秒熱機時間
? 兩次輸出有 2 秒封鎖時間
? 工作電壓范圍及操作溫度范圍
? VDD:3.1 ~ 12V
? 操作溫度:-25℃ - +85℃. ? 感應距離遠,配合不同菲涅爾透鏡可達到不同探測距離。
? 實際應用電路相當簡單,批量生產產品一致性好,返修率低,成品體積可以做得很小。
三,PIR 熱釋電傳感器專用IC應用范圍:
? 人體紅外線感應 LED 燈
? 花園、車庫、走廊、樓梯等場合的自動節能照明
? 家庭、商店、辦公室、工廠等場合的監控、報警、門鈴系統
? 排氣扇、吊扇自動開關系統
? 電子相框、顯示器、數碼相機、打獵相機等數碼產品的節能、控制系統
? 智慧玩具、智能電器控制
XYC-PIR006 主要由以下部分 構成,分別是模擬前端,ADC,濾波器,檢測算法,接口及其他控制模塊,其框架圖如圖一。
XYC-PIR006 以下兩種情況都將觸發最終的算法檢測事件,一旦事件觸發芯片輸入高電平,并維持一個預設的時間。(a)當 4s 內信號幅度相繼超過正反閾值;(b)信號幅度超 出 5 倍閾值;觸發閾值和觸發后的維持時間可以通過 ON_TIME 和 SENS 管腳的分壓電阻 設置,具體設置見下表。SENS 管腳用來設置報警閾值,通過電阻網絡使 SENS 腳設置為不同電壓,相應閾值定義如下:
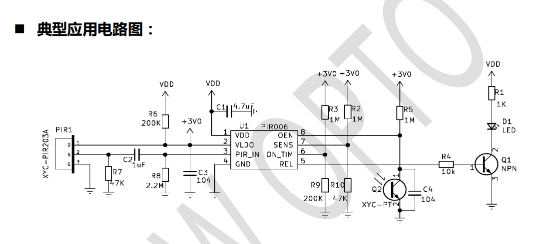
注:本電路僅供參考,請以實際使用為準!需要詳細規格書或樣品請私信我。
在 PCB 布線時,PIR 探頭的輸出腳應盡可能靠近IC 的 PIN3,保證此信號通路噪聲或干擾信號最小。OEN 引腳應接一個電容到地,防止跳動。









